Norminal
diameter
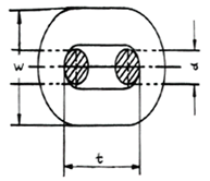
(d.m/m) |
I/W
(w,m/m)
|
I/L
(t,m/m)
|
Length/pc
(M)
|
Weight per
Meter
(kg) |
Weight per
PC
(kg) |
REMARKS
|
3 |
5.3 |
23.5 |
30 |
0.149 |
4.47 |
ZINC PLATED |
4(3.8) |
7.9 |
22.4 |
30 |
0.261 |
7.83 |
ZINC PLATED |
5(4.8) |
8.3 |
23.4 |
30 |
0.424 |
12.72 |
ZINC PLATED |
6(5.8) |
9.0 |
26.0 |
30 |
0.642 |
19.26 |
ZING PLATED |
7(6.8) |
10.0 |
30.0 |
15 |
0.880 |
13.20 |
ZING PLATED |
8(7.8) |
12.0 |
32.0 |
15 |
1.197 |
17.96 |
ZING PLATED |
9(8.8) |
13.0 |
40.0 |
15 |
1.463 |
21.95 |
ZING PLATED |
12 |
18.0 |
38.0 |
15 |
3.00 |
45.00 |
SELF COLORED |
15 |
23.0 |
45.0 |
15 |
5.60 |
84.00 |
SELF COLORED |
16 |
22.0 |
48.0 |
15 |
5.71 |
85.65 |
SELF COLORED |
19 |
26.0 |
57.0 |
10 |
7.93 |
79.30 |
SELF COLORED |
3 |
5.0 |
26.0 |
30 |
0.143 |
4.29 |
ZINC PLATED |
4 |
7.0 |
36.0 |
30 |
0.254 |
7.62 |
ZINC PLATED |
4.5 |
8.0 |
45.0 |
30 |
0.314 |
9.42 |
ZINC PLATED |
6 |
11.0 |
46.0 |
30 |
0.554 |
16.62 |
ZINC PLATED |
7 |
12.0 |
49.0 |
15 |
0.774 |
11.61 |
ZINC PLATED |
12 |
18.0 |
50.0 |
15 |
2.80 |
42.00 |
SELF COLORED |
15 |
23.0 |
64.0 |
15 |
4.266 |
64.00 |
SELF COLORED |
16 |
24.0 |
70.0 |
15 |
4.90 |
73.50 |
SELF COLORED |
19 |
26.0 |
76.0 |
10 |
7.06 |
70.60 |
SELF COLORED |
|
|
|